- Технические характеристики и другая информация предоставляются для справки.
- Чертежи и изображения представлены для ознакомления
Подшипник роликовый самоустанавливающийся 23940-S-K-MB + H 3940
Подшипник роликовый самоустанавливающийся 23940-S-K-MB + H3940 предназначен, главным образом, для эксплуатации в условиях аксиальных воздействий. Существуют варианты в однорядном и двухрядном исполнении. В первом случае неразъемная конструкция закрепляется при помощи втулок и включает бочкообразные роликоподшипники, сепаратор, толстостенную внешнюю обойму сферической формы и внутреннее широкое кольцо с бортиками, в котором иногда располагается посадочное гнездо под цилиндрическую или коническую посадочную основу. Второй тип имеет двухрядный набор тел качения и способен к восприятию как аксиальных, так и осевых нагрузок.
Каковы отличительные черты Подшипник роликовый самоустанавливающийся 23940-S-K-MB + H3940?
-  Деталь является самоцентрирующейся, то есть позволяет выравнивать перекосы, возникающие в процессе ее установки, компенсирует прогиб валов, несоосность. 
-  Применяется в барабанных лебедках, врубовых агрегатах, угольных комбайнах, мощных редукторах, шнеках, крановых скатах и так далее. 
-  Обладает высокой грузоподъемностью и износостойкостью даже при ударных темпах работы. 
В каталоге магазина для заказа онлайн доступен Подшипник роликовый самоустанавливающийся 23940-S-K-MB + H3940 ГОСТ или его (аналоги ISO) и прочие высококачественные модели от компаний FAG, KOYO, NSK, SKF, SNR по доступной стоимости!
Технические характеристики
Обозначение : 23940-S-K-MB + H3940
Размеры, мм : 180x280x60
Производитель : FAG
Диаметр внутренний, мм : 180
Диаметр наружный, мм : 280
Высота, мм : 60
Технические данные из каталога производителя :
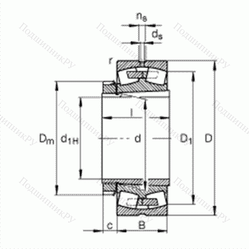
d1H - 180 mm
D - 280 mm
B - 60 mm
Ba min - 9 mm
c - 32 mm
D1 - 256,9 mm
Da max - 269,8 mm
Dm - 240 mm
d - 200 mm
da max - 220 mm
db min - 210 mm
ds - 6,3 mm
l - 98 mm
ns - 12,2 mm
ra max - 2,1 mm
rmin - 2,1 mm
- H3940 / Условное обозначение, закрепительная втулка
m - 11,5 kg / Вес
m1 - 8,14 kg / Вес, закрепительная втулка
Cr - 550000 N
e - 0,2
Y1 - 3,42
Y2 - 5,09
C0r - 1080000 N / статическая грузоподъемность, радиальная
Y0 - 3,34
nG - 2800 1/min / Предельная частота вращения
nB - 1670 1/min / Базовая тепловая частота вращения
Cur -
Основные размеры по DIN 635-2, с коническим отверстием и закрепительной втулкой
| 
																Производитель
															 | FAG | 
| 
																Ширина B
															 | 60 | 
| 
																Внешний диаметр D
															 | 280 | 
| 
																Внутренний диаметр d
															 | 180 | 
| 
																Размер
															 | 180x280x60 | 
| 
																Вес, кг
															 | 11.5 | 
| 
																Модель
															 | 23940-S-K-MB---H3940-FAG | 
| 
																SKU
															 | 23940-S-K-MB---H3940-FAG | 
Похожие по размеру
Оформить заказ на нашем сайте легко. Просто добавьте выбранные товары в корзину, а затем перейдите на страницу Корзина, проверьте правильность заказанных позиций и нажмите кнопку «Оформить заказ» или «Быстрый заказ».
Функция «Быстрый заказ» позволяет покупателю не проходить всю процедуру оформления заказа самостоятельно. Вы заполняете форму, и через короткое время вам перезвонит менеджер магазина. Он уточнит все условия заказа, ответит на вопросы, касающиеся качества товара, его особенностей. А также подскажет о вариантах оплаты и доставки.
По результатам звонка, пользователь либо, получив уточнения, самостоятельно оформляет заказ, укомплектовав его необходимыми позициями, либо соглашается на оформление в том виде, в котором есть сейчас. Получает подтверждение на почту или на мобильный телефон и ждёт доставки.
Если вы уверены в выборе, то можете самостоятельно оформить заказ, заполнив по этапам всю форму.
Выберите из списка название вашего региона и населённого пункта. Если вы не нашли свой населённый пункт в списке, выберите значение «Другое местоположение» и впишите название своего населённого пункта в графу «Город». Введите правильный индекс.
	 В зависимости от места жительства вам предложат варианты доставки. Выберите любой удобный способ. 
	
	Оплата
Выберите оптимальный способ оплаты.
Введите данные о себе: ФИО, адрес доставки, номер телефона. В поле «Комментарии к заказу» введите сведения, которые могут пригодиться курьеру, например: подъезды в доме считаются справа налево.
Проверьте правильность ввода информации: позиции заказа, выбор местоположения, данные о покупателе. Нажмите кнопку «Оформить заказ».
Наш сервис запоминает данные о пользователе, информацию о заказе и в следующий раз предложит вам повторить к вводу данные предыдущего заказа. Если условия вам не подходят, выбирайте другие варианты.

 
                                            
                                        
