- Технические характеристики и другая информация предоставляются для справки.
- Чертежи и изображения представлены для ознакомления
Подшипник шариковый упорный 53307 + U 307
Подшипник шариковый упорный 53307 + U307 конструкция которого является разборной и включает в себя свободное и тугое кольца, а также сепаратор (чаще всего, стальной) и комплект шариков, которые могут устанавливаться отдельно, что упрощает процесс установки и демонтажа системы. Существуют одинарные и двойные варианты: первый состоит из двух шин и шарикоподшипников, оснащенных сепараторной оболочкой, и может воспринимать однонаправленное воздействие, а второй отличается лишь наличием пары комплектов тел качения и восприятием двунаправленных сил.
В чем плюсы и особенности Подшипник шариковый упорный 53307 + U307?
- Работает только с нагрузками осевого типа и не рассчитан на воздействие радиального вектора приложения сил.
- Характеризуется повышенной стойкостью к рабочим нагрузкам, что позволяет увеличить срок эксплуатации по сравнению с иными моделями.
- Отвечает уровню качества, закрепленному в международных нормах ИСО, российских ГОСТах, японских, американских и немецких стандартах.
Приобретайте с выгодой для бюджета Подшипник шариковый упорный 53307 + U307 ГОСТ или его (аналог ISO), также прочие надежные изделия FAG, KOYO, NSK, SKF, SNR в нашем интернет-магазине!
Технические характеристики
Обозначение : 53307 + U307
Размеры, мм : 35x72x28
Производитель : FAG
Диаметр внутренний, мм : 35
Диаметр наружный, мм : 72
Высота, мм : 28
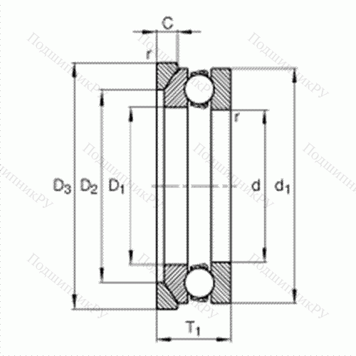
Технические данные из каталога производителя :
d - 35 mm
D3 - 72 mm
T1 - 28 mm
A - 24 mm
C - 7,5 mm
D - 68 mm
D1 - 37 mm
D2 - 52 mm
Da max - 52 mm
d1 - 68 mm
da min - 55 mm
R - 56 mm
ra max - 1 mm
rmin - 1 mm
T - 25,6 mm
- U307 / Условное обозначение, подкладная шайба
m - 0,437 kg / Вес
m1 - 0,083 kg / Вес, подкладное кольцо
Ca - 50000 N / динамическая грузоподъемность, осевая
C0a - 88000 N
A - 0,05 / коэффициент минимальной нагрузки
nG - 4850 1/min / Предельная частота вращения
Cua - 3900 N / нагрузка предела усталости, осевая
Основные размеры по DIN 711/ISO 104, одностороннего действия, с самоустанавливающимся свободным кольцом и подкладным кольцом, разъемные
|
Производитель
|
FAG |
|
Ширина B
|
25 |
|
Внешний диаметр D
|
72 |
|
Внутренний диаметр d
|
35 |
|
Размер
|
35x72x25 |
|
Вес, кг
|
0.437 |
|
Модель
|
53307---U307-FAG |
|
SKU
|
53307---U307-FAG |
Похожие по размеру
Оформить заказ на нашем сайте легко. Просто добавьте выбранные товары в корзину, а затем перейдите на страницу Корзина, проверьте правильность заказанных позиций и нажмите кнопку «Оформить заказ» или «Быстрый заказ».
Функция «Быстрый заказ» позволяет покупателю не проходить всю процедуру оформления заказа самостоятельно. Вы заполняете форму, и через короткое время вам перезвонит менеджер магазина. Он уточнит все условия заказа, ответит на вопросы, касающиеся качества товара, его особенностей. А также подскажет о вариантах оплаты и доставки.
По результатам звонка, пользователь либо, получив уточнения, самостоятельно оформляет заказ, укомплектовав его необходимыми позициями, либо соглашается на оформление в том виде, в котором есть сейчас. Получает подтверждение на почту или на мобильный телефон и ждёт доставки.
Если вы уверены в выборе, то можете самостоятельно оформить заказ, заполнив по этапам всю форму.
Выберите из списка название вашего региона и населённого пункта. Если вы не нашли свой населённый пункт в списке, выберите значение «Другое местоположение» и впишите название своего населённого пункта в графу «Город». Введите правильный индекс.
В зависимости от места жительства вам предложат варианты доставки. Выберите любой удобный способ.
Оплата
Выберите оптимальный способ оплаты.
Введите данные о себе: ФИО, адрес доставки, номер телефона. В поле «Комментарии к заказу» введите сведения, которые могут пригодиться курьеру, например: подъезды в доме считаются справа налево.
Проверьте правильность ввода информации: позиции заказа, выбор местоположения, данные о покупателе. Нажмите кнопку «Оформить заказ».
Наш сервис запоминает данные о пользователе, информацию о заказе и в следующий раз предложит вам повторить к вводу данные предыдущего заказа. Если условия вам не подходят, выбирайте другие варианты.

