- Технические характеристики и другая информация предоставляются для справки.
- Чертежи и изображения представлены для ознакомления
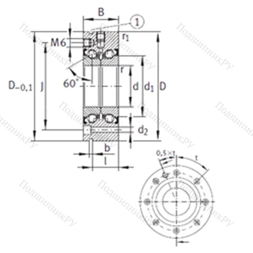
Подшипник шариковый упорно-радиальный ZKLF 80165-2Z
Подшипник шариковый упорно-радиальный ZKLF80165-2Z конструкция которого является разборной и включает в себя свободное и тугое кольца, а также сепаратор (чаще всего, стальной) и комплект шариков, которые могут устанавливаться отдельно, что упрощает процесс установки и демонтажа системы. Существуют одинарные и двойные варианты: первый состоит из двух шин и шарикоподшипников, оснащенных сепараторной оболочкой, и может воспринимать однонаправленное воздействие, а второй отличается лишь наличием пары комплектов тел качения и восприятием двунаправленных сил.
В чем плюсы и особенности Подшипник шариковый упорно-радиальный ZKLF80165-2Z?
- Работает только с нагрузками осевого типа и не рассчитан на воздействие радиального вектора приложения сил.
- Характеризуется повышенной стойкостью к рабочим нагрузкам, что позволяет увеличить срок эксплуатации по сравнению с иными моделями.
- Отвечает уровню качества, закрепленному в международных нормах ИСО, российских ГОСТах, японских, американских и немецких стандартах.
Приобретайте с выгодой для бюджета Подшипник шариковый упорно-радиальный ZKLF80165-2Z ГОСТ или его (аналог ISO), также прочие надежные изделия FAG, KOYO, NSK, SKF, SNR в нашем интернет-магазине!
Технические характеристики
Обозначение : ZKLF80165-2Z
Размеры, мм : 80x165x45
Производитель : INA
Диаметр внутренний, мм : 80
Диаметр наружный, мм : 165
Высота, мм : 45
Технические данные из каталога производителя :
Внутренний диаметр (d) - 80 мм.
Наружный диаметр (D) - 165 мм.
Ширина (высота) (B) - 45 мм.
Ширина наружной обоймы (C) - 45 мм.
Крепежный винт - 8
Размер (I) - 35
Угол наклона (?) - 60 Градусы
Размер (b) - 3 мм.
Размер (d1) - 105 мм.
Размер (d2) - 8,8 мм.
Размер (r min.) - 0,6 мм.
Размер (r1 min.) - 0,6 мм.
Размер (J) - 140 мм.
Болт (G) - M8
Масса - 5,3 Кг
Грузоподъемность динамическая (C) - 91 кН
Грузоподъемность статическая (C0) - 265 кН
Частота вращения предельная при пластичной смазке - 2700 об/мин
Количество дорожек качения - 2
Уплотнение - Есть
|
Производитель
|
INA |
|
Ширина B
|
45 |
|
Внешний диаметр D
|
165 |
|
Внутренний диаметр d
|
80 |
|
Размер
|
80x165x45 |
|
Вес, кг
|
5.3 |
|
Модель
|
ZKLF80165-2Z-INA |
|
SKU
|
ZKLF80165-2Z-INA |
|
Диаметр вала d1
|
105 мм. |
Похожие по размеру
Оформить заказ на нашем сайте легко. Просто добавьте выбранные товары в корзину, а затем перейдите на страницу Корзина, проверьте правильность заказанных позиций и нажмите кнопку «Оформить заказ» или «Быстрый заказ».
Функция «Быстрый заказ» позволяет покупателю не проходить всю процедуру оформления заказа самостоятельно. Вы заполняете форму, и через короткое время вам перезвонит менеджер магазина. Он уточнит все условия заказа, ответит на вопросы, касающиеся качества товара, его особенностей. А также подскажет о вариантах оплаты и доставки.
По результатам звонка, пользователь либо, получив уточнения, самостоятельно оформляет заказ, укомплектовав его необходимыми позициями, либо соглашается на оформление в том виде, в котором есть сейчас. Получает подтверждение на почту или на мобильный телефон и ждёт доставки.
Если вы уверены в выборе, то можете самостоятельно оформить заказ, заполнив по этапам всю форму.
Выберите из списка название вашего региона и населённого пункта. Если вы не нашли свой населённый пункт в списке, выберите значение «Другое местоположение» и впишите название своего населённого пункта в графу «Город». Введите правильный индекс.
В зависимости от места жительства вам предложат варианты доставки. Выберите любой удобный способ.
Оплата
Выберите оптимальный способ оплаты.
Введите данные о себе: ФИО, адрес доставки, номер телефона. В поле «Комментарии к заказу» введите сведения, которые могут пригодиться курьеру, например: подъезды в доме считаются справа налево.
Проверьте правильность ввода информации: позиции заказа, выбор местоположения, данные о покупателе. Нажмите кнопку «Оформить заказ».
Наш сервис запоминает данные о пользователе, информацию о заказе и в следующий раз предложит вам повторить к вводу данные предыдущего заказа. Если условия вам не подходят, выбирайте другие варианты.
