Будьте всегда в курсе!
Узнавайте о скидках и акциях первым
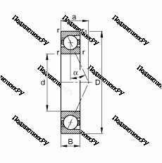
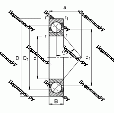
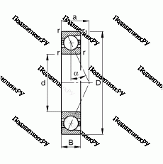
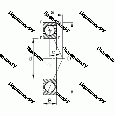
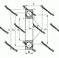
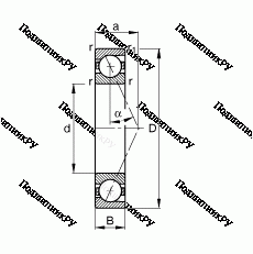
Предлагаем подшипники от проверенного производителя NSK по выгодным ценам. Доставка по всем регионам России. Заказывайте качественную продукцию в магазине «ПодшипникРУ» всего в пару кликов.
|
|||||||||
|
|||||||||
|
|||||||||
|
|||||||||
|
|||||||||
|