Разборный корпус опорного блока SNL 508-607 / 35x108 LPZ
Внимание: для уточнения актуальной цены, наличия и условий поставки рекомендуем обратиться к менеджеру отдела продаж. Отгрузка отдельных позиций может занимать от 2 рабочих дней, так как товары находятся на разных складах на территории РФ.
- Технические характеристики и другая информация предоставляются для справки.
- Чертежи и изображения представлены для ознакомления
Условия заказа и доставки
- Продажи осуществляются только юридическим лицам
- Доставка в Твери выполняется через ТК: СДЭК, Деловые Линии, Возовоз, Энергия
- Для небольших подшипников действует минимальная партия
- Счета выставляются от 5000 руб.
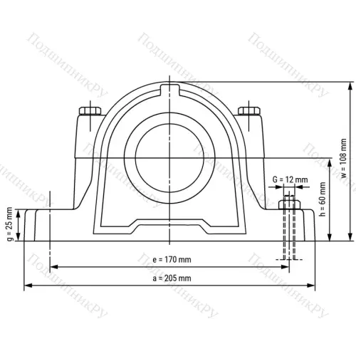
Разборный корпус SNL508-607 изготовлен методом литья под давлением и предназначен для использования самоустанавливающихся шарикоподшипников и сферических роликоподшипников.
Предлагаем Разъемные корпуса SNL508-607 от производителя LPZ с внутренним диаметром 35 мм, весом 2,9000 кг и термостойкостью От -40 до +100 C. В основном детали используются в паре со сферическими шариковыми или роликовыми подшипниками. Конструкция изделия гарантирует простоту монтажа и обслуживания.
- Корпус Pillow Block в раздельном исполнении
- можно комбинировать с самоустанавливающимся шарикоподшипником или сферическим роликоподшипником
- основание корпуса усилено в районе крепежных отверстий и укреплено рипами, что исключает деформацию при креплении корпуса; центрирующая насадка помогает с точным выравниванием; крышка корпуса и основание принадлежат друг другу и не взаимозаменяемы
- комплект уплотнений TG (двойное манжетное уплотнение) входит в комплект поставки
- со смазочным ниппелем для легкой повторной смазки вкладыша подшипника
- для защиты от коррозии корпус окрашен; монтажная поверхность обработана антикоррозийным маслом
|
Производитель
|
LPZ |
|
Ширина B
|
108 |
|
Внутренний диаметр d
|
35 |
|
Размер
|
35x108 |
|
Вес, кг
|
2,9000 |
|
Модель
|
SNL 508-607 / |
Кроссы подшипников
Поставка Разборный корпус опорного блока SNL 508-607 / 35x108 LPZ и других подшипников и комплектующих осуществляется для юридических лиц по безналичному расчету. Счета выставляются от 5000 руб. Для части малогабаритных подшипников действует минимальная партия заказа.
Вы можете оформить заказ через корзину сайта или отправить заявку в отдел продаж. После получения заявки менеджер проверит наличие, уточнит стоимость, сроки поставки и подготовит счет. Если требуется помощь с подбором подшипников, аналогов или уточнение технических параметров, менеджеры помогут подобрать подходящее решение.
Отправка заказов по России осуществляется транспортными компаниями:
- СДЭК
- Деловые Линии
- Возовоз
- Энергия
Менеджер согласует сроки отгрузки, стоимость доставки и передачу груза в транспортную компанию.
В связи с наличием нескольких складов срок отгрузки некоторых позиций может составлять от 2 рабочих дней.
Оплата производится по безналичному расчету на основании выставленного счета. Резервирование товара осуществляется после согласования заказа с менеджером отдела продаж.
Отправить запрос на подбор аналога
Гарантийные обязательства подтверждаются документами производителя и действуют при соблюдении условий хранения, монтажа и эксплуатации.
Что покрывает гарантия
Гарантия распространяется на заводские дефекты материалов и изготовления, несоответствие заявленным техническим характеристикам, а также поставку некомплектного изделия согласно спецификации. Факт дефекта подтверждается актом или заключением производителя либо сервисного центра. Срок гарантии определяется паспортом или каталогом производителя и составляет, как правило, до 12 месяцев с даты приёмки товара по УПД/накладной. По отдельным позициям срок может отличаться - уточняйте у менеджера при оформлении заказа.
Гарантия не распространяется на:
- механические и электрические повреждения, следы ударов и коррозии;
- нарушение условий хранения, монтажа, смазки или эксплуатации;
- следы вскрытия или вмешательства, установку нестандартных запчастей;
- повреждения из-за внешних факторов и форс-мажора.
Как обратиться по гарантии
Направьте письмо на info@podshipnikru.com с темой "Гарантия", укажите номер УПД/счёта, опишите дефект и приложите фото или видео. При необходимости изделие направляется на диагностику. Срок рассмотрения заявки - до 10 рабочих дней с момента получения полного пакета документов. По итогам принимается решение о ремонте, замене или возврате средств.
Возврат товара
Возврат товара надлежащего качества возможен по соглашению сторон при условии, что товар не был в эксплуатации, сохранены товарный вид, пломбы и комплектность. Возврат или обмен необходимо согласовать с менеджером до отправки. Доставка товара до нашего склада при возврате в Твери осуществляется за счёт покупателя - стоимость транспортных расходов не компенсируется. Возвращается стоимость товара согласно документам поставки.






